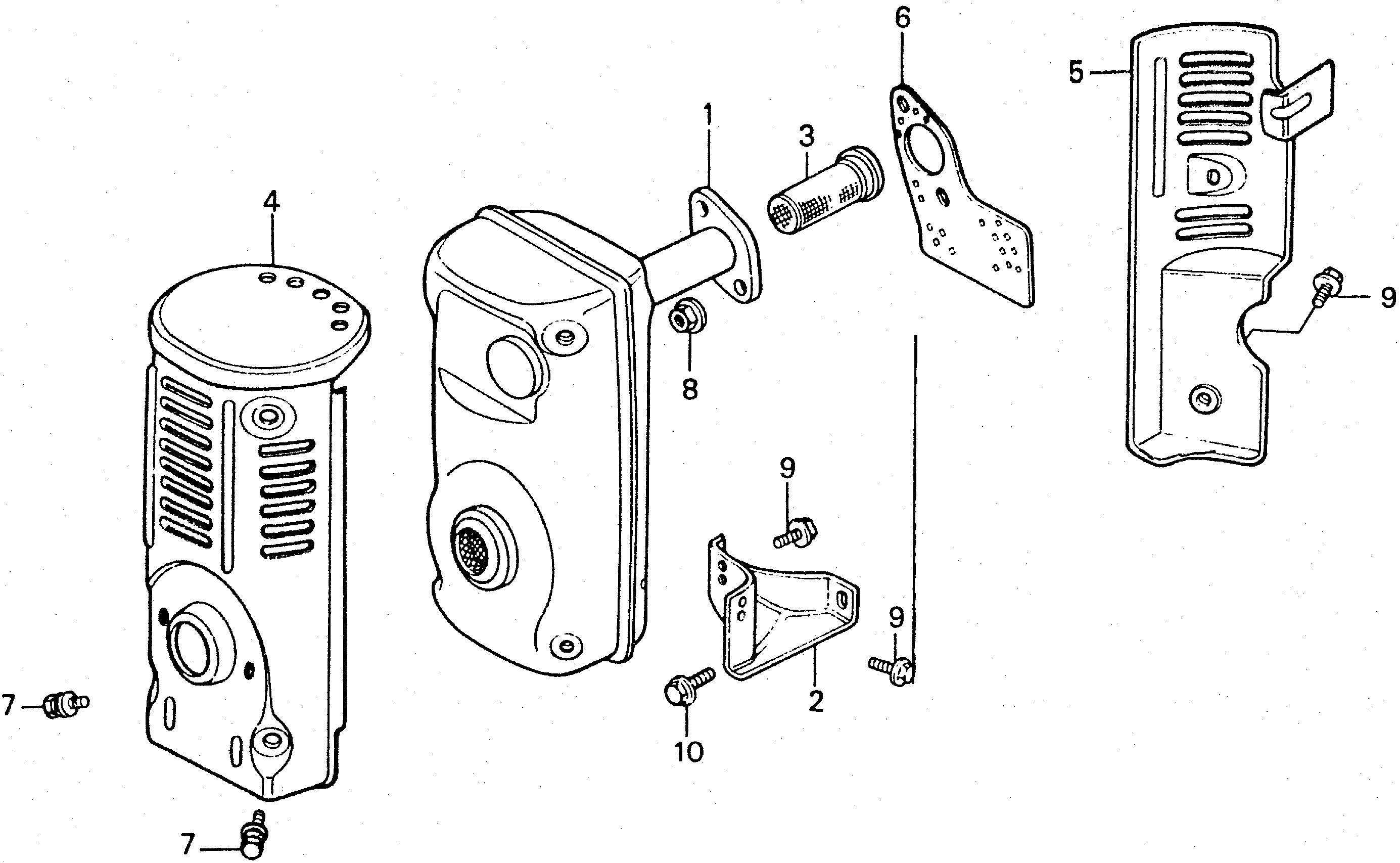
Generators ES ES3500 ES3500K2 A ES3500-1200161-9999999 MUFFLER - Honda of South Georgia

Ref No
Part Number
Description
Serial Range
Qty
Price

Ref No
1
Part Number
18310-890-696
Description
MUFFLER (ARRESTER) (NOT AVAILABLE)
Serial Range
1006252 - 9999999

Ref No
2
Part Number
18320-890-731
Description
STAY, MUFFLER (NOT AVAILABLE)
Serial Range
1086382 - 9999999

Ref No
3
Part Number
18335-890-000
Description
ARRESTER, SPARK
Serial Range
1086382 - 9999999

Ref No
4
Part Number
18361-890-730
Description
PROTECTOR A, MUFFLER (NOT AVAILABLE)
Serial Range
1000001 - 9999999

Ref No
5
Part Number
18365-890-730
Description
PROTECTOR B, MUFFLER
Serial Range
1000001 - 9999999

Ref No
6
Part Number
18381-890-306
Description
GASKET, MUFFLER
Serial Range
1000001 - 9999999

Ref No
7
Part Number
90003-890-000
Description
BOLT-WASHER (6X10) (NOT AVAILABLE)
Serial Range
1071060 - 9999999

Ref No
8
Part Number
94050-08080
Description
NUT, FLANGE (8MM)
Serial Range
1071060 - 9999999
Qty
Price
$2.18

Ref No
9
Part Number
95701-06010-00
Description
BOLT, FLANGE (6X10)
Serial Range
1071060 - 9999999
Qty
Price
$2.54

Ref No
10
Part Number
95701-08016-08
Description
BOLT, FLANGE (8X16)
Serial Range
1086382 - 9999999
Qty
Price
$3.20